Langsung ke konten utama

[37+] Accessoires Laiton Antique Vintage De QualitΓ© - LIMSON Sans Fil Bluetooth Sur l'oreille,..

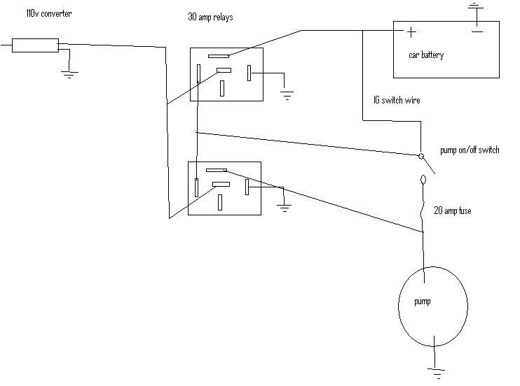
[18+] Red Lion 1 Hp Sprinkler Pump Wiring Diagram, Red Lion Pump Wiring Diagram - Derslatnaback

Red Lion 1 Hp Sprinkler Pump Wiring Diagram Irrigation Pump: Irrigation Pump Relay Switch

Water pump

20 sprinkler pump wiring diagram. Red lion 2hp sprinkler pump wiring diagram. Pump water. Red lion 2hp sprinkler pump wiring diagram

Irrigation Pump: Irrigation Pump Relay Switch

Irrigation Pump: Irrigation Pump Relay Switch

Red Lion 2hp Sprinkler Pump Wiring Diagram - Gallery 4K

Red Lion 2hp Sprinkler Pump Wiring Diagram - Gallery 4K

Red Lion 2hp Sprinkler Pump Wiring Diagram - Gallery 4K

Red Lion 2hp Sprinkler Pump Wiring Diagram - Gallery 4K

25 Red Lion Pump Parts Diagram - Wiring Database 2020

25 Red Lion Pump Parts Diagram - Wiring Database 2020

Red Lion Sprinkler Pump Wiring Diagram - Wiring Diagram

Red Lion Sprinkler Pump Wiring Diagram - Wiring Diagram

Komentar

Postingan populer dari blog ini

[Get 44+] Ar 15 Airsoft Gun With Scope

View Images Library Photos and Pictures. Vsrtp3940gv3 Ar 15 Scope 3 9x40 Rubber Armored P4 Sniper Illuminated Green Laser Ar 15 Scopes Firefield 2 5 10x40mm Illuminated Mil Dot Ar 15 M16 Rifle Scope With Red Laser 182853 Rifle Scopes And Accessories At Sportsman S Guide Tr 1 Ultimate Ar 15 Fix Mag Taran Tactical Innovations Llc Pin On Glock 17 Softair

[Get 23+] Night Sky Tree Silhouette Painting

View Images Library Photos and Pictures. 409 Painting Sky Tree Silhouette Sunset Photos - Free & Royalty-Free Stock Photos from Dreamstime Starry Night Sky Art Project for Kids - Buggy and Buddy Mariana Abreu - Digital Paintings Tree silhouette with night sky // Galaxy Painting // Mini | Etsy

[Get 18+] Imagen De Anime Hombre Solitario

Download Images Library Photos and Pictures. Imagen – Marco Mora chico solitario (ninguno1080) - Perfil | Pinterest Hombre solitario | •Anime• Amino ✦✧π‘©π’π’‚π’„π’Œ 𝑾𝒐𝒍𝒇 ✧✦ op Twitter: "πŸŒ‘-Hola soy Black un gusto conoserte-πŸŒ‘ 🌌-Hombre lobo πŸŒ•-AlfaπŸ”± πŸŒ…-Hechicero supremo πŸŒ‘-Parte Dragon πŸŒ†-Adolecente (19)🌟 🌌-Vivo en una cabaΓ±a 🌲 πŸŒ’-Lobo solitario πŸŒ…-Cocinero experto 🌌-Amable πŸŒ•-Hechizos 🌌-Me